影響礦下防爆電機溫升的主要因素
發布日期:2021年04月19日 信息來源:/ 點擊數:
礦井隔爆電機隨著采煤機械化程度的提高,不僅對電動機的性能提出高要求,而且對電動機的質量和可靠性又提出了更高的要求,而電機溫升過快是制約隔爆電機發展的一個重要的因素,因此控制隔爆電機溫升成為一個迫切解決的問題。
影響電機過熱的多方面的原因,但總的來說主要有兩個大的方面:電機的周圍外在因素和電機的內部設計原因。
電機的周圍外在因素
1.1 工作環境的惡劣
煤礦井下環境十分惡劣,空氣中含有瓦斯、一氧化碳等易燃、易爆氣體和煤塵。近年來,為了保證礦井及礦工的人身安全,防止煤礦爆炸等重大事故的發生,國家不斷加大對煤礦安全生產的管理力度,礦井 井下開采區電器設備大都采用礦用隔爆型及增安型電器設備,電器設備防爆改造已成為煤礦的重中之重。長時間的環境濕度會使電機內部進入水汽,從而使定子繞組絕緣得到破壞,電機的溫升會急劇增加,導致定子繞組的燒毀。而大量的粉塵、煙霧會使電機通風不暢,是電機的熱量得不到很快的散發使電機 溫升過高。
1.2 電機的頻繁啟動和過載運行
電機在設計過程中會有一個額定負載,只有在額定負載范圍內,電機才能安全平穩的運行。但由于設備符合的不均勻,電機負載情況也不同。例如,在采煤機工作過程中往往會遇到硬煤層,而為了保證煤炭的產量,人們往往會過載運行,這樣會使電機的負載轉矩增加,而電機的電磁轉矩也要增大與之平衡,這就要導致電機定轉子電流增大,造成電機過熱,電機溫升升高。另外采煤設備在采煤時,常常會遇到阻礙物,大的硬塊,這樣就導致采煤設備常常停機清理,這樣就形成了電機的頻繁啟動,電動機在接通電源時,啟動電流一般為額定電流的5~7倍,根據 Q額=I2額x R x t公式的,啟動瞬間產生的熱量約為額定的30多倍。如果這時沒有好的散熱措施,定子溫升很快就升到或超過額定值,從而使電機溫升急劇升高。
電機的內部設計原因
(1)電機在運行中要產生損耗,這些損耗以熱能的形式表現在電機內部,從而使電機溫升升高。所以降低電機這些損耗成為降低電機溫升,提高電機效率的有效措施。電機的損耗主要有定子和轉子的基本鐵耗、附加損耗、電氣損耗和機械損耗等。
電磁設計在電機設計中起到決定性作用,而電磁負荷又成為控制電機溫升的主要因素,因此電機設計中應盡可能的降低電磁負荷值,以減小電機損耗。電機的主要參數之間的關系
式中:PN為效率;η為功率因素;COS(Φ)由電機設計技術要求規定,而電勢KE、轉速n、計算極弧系數α/ P、定子繞組系數Kdp, Knm,一般在較小的范圍變化。所以電機的主要尺寸D2t1Lef與電磁負荷A、Bδ成反 比,所以在保證電機外部尺寸和機械強度的條件下, 盡可能的利于內部空間,從而使電磁負荷下降,從而降低電機的溫升。
(2)礦下隔爆電機一般為感應電機,所以氣隙δ大小的確定是非常重要的,它對電機的性能影響很大。由定、轉子諧波漏抗公式
可知諧波漏抗與有效氣隙大小成反比。要想降低溫升,就要降低附加損耗,即降低諧波,所以要有效的增大氣隙,這也是為什么有些一些已生成的電機溫升過高時,可以車小轉子外徑的方法在降低電機溫升。但氣隙過大會使空載電流增大,電機功率因素下降,起動電流加大。所以要合理的選擇氣隙是控制溫升的一個有效措施。
(3)在改進已生成完的電機的溫升時,處理上述 車小轉子外徑,還可以將定子槽楔改換成磁性槽楔或磁性槽泥。采用磁性槽楔或磁性槽泥可降低氣隙磁導諧波的脈振幅值,減小磁導諧波引起的附加損耗,減少有效氣隙,降低空載電流和滿載電流,改善功率因數,減少銅耗,從而降低繞組溫升約3~8K。但要注意的是采用磁性槽楔或磁性槽泥時,會使啟動轉矩和最大轉矩降低6%~15%。所以采用此方案時, 要有效考慮啟動轉矩和最大轉矩的影響。
(4)從多年從事電機大修工作的經驗中,很多返修的電機都是定子繞組絕緣的破壞,所以絕緣材料的選擇也是控制電機溫升很重要的一個因素。我國采用的絕緣等級有A、E、B、F、H五級。當環境溫度不超過40℃,海拔不超過1000m時,電機各部的最大允許溫度和最大允許溫升見表1:
由表1可以看出,從A級到H級的材料越來越好,從控制溫升的角度來說,當然是選擇好的材料, 但他們的價格從A到H也是越來越高,選擇好的材料,就意味著提高生產成本。所以在選擇材料時,在控制生產成本的基礎上,盡量選擇好的絕緣材料。
(5)以上主要是從定子繞組,轉子上分析原因, 不管定子,轉了產生的熱量都要通過機座散發出去, 所以機座的散熱條件的好壞會直接影響電機的溫升。目前我國的電機冷卻方式主要有風冷和水冷兩種方式。
在風冷設計中,為了保證熱量的盡快散熱出去, 在轉子,定子沖片空間允許的情況下,可以加上通風孔如圖1:
在轉子的兩端加有風扇,可以保證通風的暢通, 可以及時的保證把轉子的熱量散熱出去,以免溫度過高損壞定子繞組。機座的外圓應有散熱筋,散熱筋應盡可能的均勻的分布在機座的外圓。這種結構主要用于結構簡單,成本較低,通風情況良好的條件中。
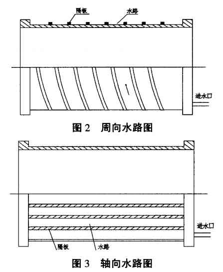
隨著電機的不斷發展,電機后來的發展主要采 用液體冷卻方式,常用的冷卻方式為油和水,由于油 的比熱容和導熱系數較小,粘滯系數較大,工作加熱 到一定程度后,不利于系統效率的利用,而且造價也較高,相比較而然,水的比熱容和導熱系數較大,而且礦下水源方便,造價低,所以現在的電機一般采用水冷法。為了更好的散發熱量,在機座內部采用水道的形式,從而形成一個良好的循環。現在的水道循環方式主要有周向水路(如圖2)和軸向水路(如圖3) 兩種方式。
這兩種電機設計的優缺點如表2所示:
在井下用隔爆電機往往需要將進出口放在一端, 而水壓又不成問題,所以一般采用軸向水路。為了降低生產成本,制造工藝簡單,一般采用折彎式水道循環,以YBCS-610為例,采用的水道展開圖如圖4
圖4折彎式水道展開圖
這種結構簡單,生產成本低,加工方便,散熱效果好。為了更好的保證電機的運行,還可在端蓋上加入水道,保證軸承溫升不要太高而損壞軸承。
(6)除了上述因素會影響電機溫升過高外,機械加工精度,裝配過程的精度,油封的選擇都是對電機溫升造成影響,如,軸與端蓋的不同心,軸承與端蓋的配合過松或過緊,油封太緊,潤滑脂過多或過少等都會使電機運行不通暢,從而使溫升過高。
本文研究了防爆電機在煤礦井下感應電動機的溫升問題,分析了由于電動機的損耗和散熱問題所引起的電動機溫升增大的原因,并提出了減少損耗和改善散熱方面的具體措施,為解決電動機溫升問題提供了參考。
更多防爆電機產品知識請訪問防爆電機廠家官網:m.aikezhan.cn 阿里巴巴旺鋪:https://nyfbdj168.1688.com/ 手機:15518435289 電話:0394-8687286 劉經理
相關閱讀:
10KV高壓防爆電機400kw型號大全
南洋防爆電機解讀防爆設備的設計特征






